首页 > Products > Metal wire, vibration isolator > Metal wire vibration isolator
Metal wire vibration isolator V-120/V120-D; V125/V125-D
-
Metal wire vibration isolator V-120/V120-D; V125/V125-D Overview -
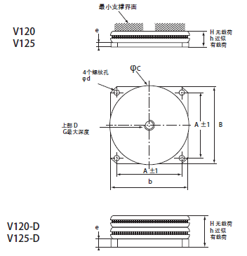
This series of metal bases has one to two soft cushions, which only work in the compression direction and allow for high dynamic loads (their base can be uniformly loaded), and can be fixed to the ground. -
Metal wire vibration isolator V-120/V120-D; V125/V125-D Advantage +
-
Metal wire vibration isolator V-120/V120-D; V125/V125-D Performance +
-
Metal wire vibration isolator V-120/V120-D; V125/V125-D Specifications +

Chinese
English








Top