首页 > Products > Steel spring assembly vibration isolator > Small steel spring set vibration isolator
S-P steel spring vibration isolator S-P5 to S-P12
-
S-P steel spring vibration isolator S-P5 to S-P12 Overview -
VICODA spring elements and damping spring elements ensure that the vibration caused by the equipment - the source of the vibration - is not transmitted to the environment (isolation of the vibration source).Application fields:Suitable for various application scenarios. They provide the best solution for vibration and structural noise isolation, such as:➤ Fan or ventilation system➤ Air conditioning system➤ Pump or pumping system➤ Electronic device measuring device➤ Small and medium-sized power presses -
S-P steel spring vibration isolator S-P5 to S-P12 Advantage +
-
S-P steel spring vibration isolator S-P5 to S-P12 Performance +
-
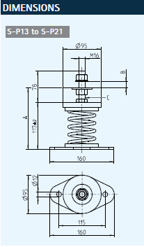
S-P steel spring vibration isolator S-P5 to S-P12 Specifications +

Chinese
English






Top