首页 > Products > Mechanical equipment vibration isolation pad foot > Air spring vibration isolation foot pad
SLM-D series air spring vibration isolator pad
-
SLM-D series air spring vibration isolator pad Overview -
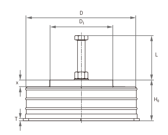
The SLM-D series air spring shock-absorbing pads have built-in viscous damping and are available in 6 sizes.Application fieldPresses, automatic cutting presses, bite machines, compressors, packaging systems, etc.Installation method
-
SLM-D series air spring vibration isolator pad Advantage +
-
SLM-D series air spring vibration isolator pad Performance +
-
SLM-D series air spring vibration isolator pad Specifications +

Chinese
English.png)








Top