首页 > Products > HVAC vibration isolator > HVAC vibration isolator
PBE vibration isolator pad
-
PBE vibration isolator pad Overview -
PBE vibration isolator pads can be used in all areas where screws are not required to fix elastic bearings. Polyurethane material Sylmer has been proven in building service equipment due to its excellent insulation value and long service life, and is the foundation of this product. Due to the use of integrated pressure distribution plates made of hot-dip galvanized steel, multi-layer vibration isolation pads are suitable for narrower base frame widths. It has an anti slip coating and does not require screws during installation. -
PBE vibration isolator pad Advantage +
-
PBE vibration isolator pad Performance +
-
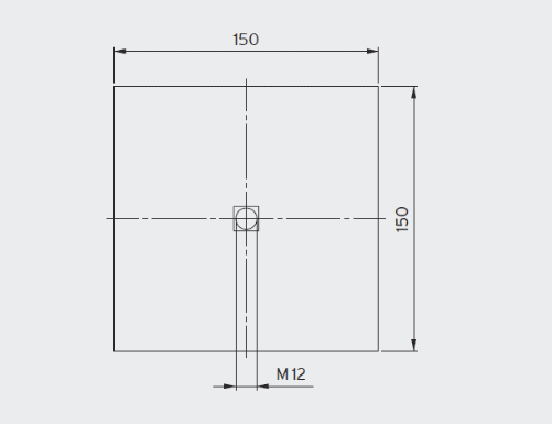
PBE vibration isolator pad Specifications +

Chinese
English
















Top