首页 > Products > Steel spring vibration isolator > MSD series steel spring vibration isolator
SD-BL spring group vibration isolator
-
SD-BL spring group vibration isolator Overview -
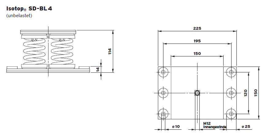
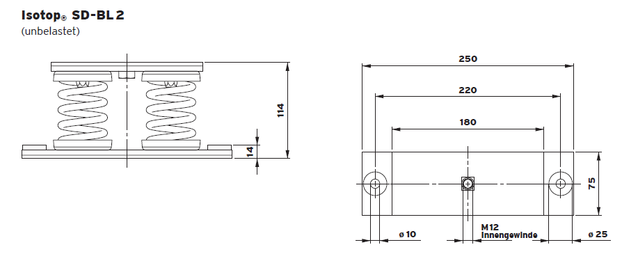
SD-BL spring group shock absorbers are used for source isolation of machines, such as heavy-duty ventilators, fans, ventilation devices, air conditioning equipment, compressors, backup generators, pumps, textile machines, molding machines, vibrating grates or conveyors.In addition, it can also be used for receiving vibration isolation of sensitive measuring equipment, weighing instruments, test benches, switchgear or transport brackets. This steel spring isolator can be used for vibration isolation of all types of machines. -
SD-BL spring group vibration isolator Advantage +
-
SD-BL spring group vibration isolator Performance +
-
SD-BL spring group vibration isolator Specifications +

Chinese
English





.png)
.png)




Top